CHANDOX シリンダ内蔵フロントロック式(ダブルピストン|三爪) MFR/MFR-Mシリーズ
MFR/MFR-Mシリーズ

- フロントロック式で取付が便利
- シリンダー内蔵
- 防塵設計
- ダブルピストンの構造で把握力を大幅に上げ、重切削に適切
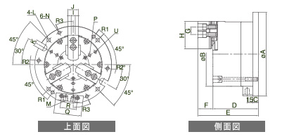
▼寸法図



▼寸法表
型 式 | A | B | C | D | E | F | G | H | I | J | K | R | R1 | R2 | R3 | L | M | N | P | Q | U | MFR-04 | 125 | 105 | 40 | 11.5 | 131.7 | 26.7 | 14 | 49.5 | 10 | 23 | - | - | - | - | - | 3-M8×1.25P(PCDØ110) | - | - | - | - | - |
---|---|---|---|---|---|---|---|---|---|---|---|---|---|---|---|---|---|---|---|---|---|
MFR-06 | 172 | 118 | 40 | 11.5 | 158.4 | 40.4 | 20 | 73 | 12 | 31 | - | - | - | - | - | 6-M10×1.5P(PCDØ155) | - | - | 3-M8×1.25P(PCDØ110) | 3-M8×1.25P(PCDØ148) | - |
MFR-08 | 210 | 145 | 40 | 14 | 187.4 | 42.4 | 25 | 95 | 14 | 35 | - | - | - | - | - | 6-M12×1.75P(PCDØ185) | - | - | 3-M10×1.5P(PCDØ136) | 3-M10×1.5P(PCDØ186) | - |
MFR-04M | 167 | 125 | 15 | 108.5 | 135.2 | 26.7 | 14 | 49.5 | 10 | 23 | 13 | 47 | - | - | - | Ø9(PCDØ145) | 2-PT1/8" | M8×1.25P(PCDØ145) | - | 64 | - |
MFR-06M | 224 | 172 | 15 | 121.5 | 161.9 | 40.4 | 20 | 73 | 12 | 31 | 18 | 47 | 8.5° | 6.5° | 23.5° | Ø11(PCDØ202) | 2-PT1/4" | M10×1.5P(PCDØ202) | 3-M8×1.25P(PCDØ110) | 80 | 3-M8×1.25P(PCDØ148) |
MFR-08M | 265 | 210 | 20 | 151 | 193.4 | 42.4 | 25 | 95 | 14 | 35 | 18 | 47 | 9.5° | 5.5° | 24.5° | Ø11(PCDØ243) | 2-PT1/4" | M10×1.5P(PCDØ243) | 3-M10×1.5P(PCDØ136) | 80 | 3-M10×1.5P(PCDØ186) |
▼仕様表
型 式 | ピルトン面積 (cm2) |
プランジャ ストローク (mm) | ジョー ストローク 直径 (mm) | 把握 範囲 |
エアー把握力 7kgf/cm2 (0.7Mpa) |
|
---|---|---|---|---|---|---|
kgf | (KN) | |||||
MFR-04 | 133 | 9 | 3.8 | Ø16~Ø125 | 2980 | (29.2) |
MFR-06 | 270 | 10 | 5.3 | Ø24~Ø172 | 5280 | (51.7) |
MFR-08 | 380 | 16 | 7.4 | Ø25~Ø210 | 7800 | (76.4) |
MFR-04-M | 133 | 9 | 3.8 | Ø16(PCDØ125) | 2980 | (29.2) |
MFR-06-M | 270 | 10 | 5.3 | Ø24(PCDØ172) | 5280 | (51.7) |
MFR-08-M | 380 | 16 | 7.4 | Ø25(PCDØ210) | 7800 | 76.4 |