CHANDOX 中空パワーチャック(三爪) OPBシリーズ
OPBシリーズ

- 標準付属:生爪
- 強力な把握力
- 高速回転にも対応
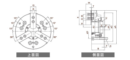
▼寸法図


▼寸法表
型 式 | No | A | B | C(h6) | D | E | E1 | F | G | H | J | K | L | M | N(max) | N(min) | O(max) | O(minx) | P(max) | P(min) | Q | R | S | T | U | V | W | X | Y |
---|---|---|---|---|---|---|---|---|---|---|---|---|---|---|---|---|---|---|---|---|---|---|---|---|---|---|---|---|---|
OPB-206 | A2-5 | 170 | 81 | 140 | 82.563 | - | 20 | 5 | - | PCDØ122 | 52 | 6-M10×1.5P | - | 20 | 36.35 | 33.6 | 21.1 | 9.1 | 7 | -5 | 31 | 12 | 23 | 2 | M60 x 2P | 20 | 37.5 | 73 | 104.8 |
OPB-208 | A2-6 | 215 | 91 | 170 | 106.375 | - | 22 | 5 | - | PCDØ150 | 66 | 6-M12×1.75P | - | 25 | 46.6 | 42.9 | 26.6 | 11.6 | 10 | -6 | 35 | 14 | 25 | 2 | M75 x 2P | 13404 | 30 | 39.5 | 80 |
OPB-210 | A2-8 | 256 | 100 | 220 | 139.719 | - | 28 | 5 | - | PCDØ180 | 81 | 6-M16×2P | - | 30 | 54.6 | 50.1 | 33.1 | 13.6 | 8.5 | -10.5 | 40 | 16 | 25 | 2 | M90 x 2P | 40 | 43 | 110 | 171.4 |
OPB-212 | A2-11(A2-8) | 315 | 108 | 300 | 196.869 | 22 | 33 | 5 | 260 | PCDØ235 | 106 | 6-M20×2.5P | 27 | 30 | 69.7 | 64.3 | 45.6 | 12.6 | 8 | -15 | 50 | 21 | 28 | 2 | M115 x 2P | 50 | 51 | 129 | 171.4 |
OPB-215 | A2-15(A2-11) | 405 | 133 | 380 | 285.775 | 27 | 41 | 6 | 330.2 | PCDØ330.2 | 142 | 6-M24×3P | 32 | 43 | 95.1 | 89.5 | 43.55 | 16.55 | 8 | -15 | 62 | 22 | 42.5 | 5 | M155 x 2P | 80 | 66 | 165 | 235 |
OPB-218 | A2-15(A2-11) | 455 | 134 | 380 | 285.775 | 27 | 41 | 6 | 330.2 | PCDØ330.2 | 166.5 | 6-M24×3P | 32 | 43 | 108.29 | 102.45 | 55.55 | 16.55 | 11.5 | -13 | 62 | 22 | 38 | 5 | M180 x 3P | 80 | 66 | 165 | 235 |
▼仕様表
型 式 | 貫通 穴径 (mm) | プランジャ ストローク (mm) | ジョー ストローク 直径 (mm) | 許容最高 回転速度 r.p.m (min-1) |
許容 最大入力 kgf (kN) | 最大静的 把握力 kgf (kN) | 最大 設定油圧力 kgf/cm2 (Mpa) | 重量 (kg) | 適合 生爪 |
適合 シリンダー | 把握 範囲 |
---|---|---|---|---|---|---|---|---|---|---|---|
OPB-206 | 52 | 12 | 5.5 | 6000 | 2200 (21.5) | 5900 (58) | 21 (2.0) | 12.3 | SJ-06 | P1452S | Φ13~Φ170 |
OPB-208 | 66 | 16 | 7.4 | 5000 | 3400 (33) | 8800 (86) | 26 (2.5) | 21.7 | SJ-08 | P1666S | Φ50~Φ210 |
OPB-210 | 81 | 19 | 8.8 | 4200 | 43000 (42) | 11100 (109) | 29 (2.8) | 33.6 | SJ-10 | P1881S | Φ34~Φ254 |
OPB-212 | 106 | 23 | 10.6 | 3400 | 5600 (55) | 145800 (143) | 29 (2.8) | 57.7 | SJ-12 | P2110S | Φ50~Φ315 |
OPB-215 | 142 | 23 | 10.6 | 2500 | 7240 (71) | 18250 (179) | 26 (2.5) | 122.5 | SJ-15 | P2916 | Φ60~Φ405 |
OPB-218 | 166.5 | 24.5 | 11.3 | 2000 | 7200 (71) | 18520 (179) | 26 (2.5) | 165 | SJ-18 | P2916 | Φ80~Φ455 |