CHANDOX ワークグリッパ MOT/MOシリーズ
MOT/MOシリーズ

- 内部シリンダー防錆処理済
- 防塵・防水構造
- シリンダー内蔵
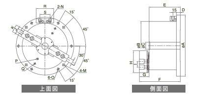
▼寸法図


▼寸法表
型 式 | A | B | C | D | E | F | G | H | I | J | K | L | M | N | O | P | R | S | Q |
---|---|---|---|---|---|---|---|---|---|---|---|---|---|---|---|---|---|---|---|
MO-04 | 157 | 115 | -- | 15 | 77.5 | 104 | 26 | 49.5 | 14 | 10 | 23 | 13 | Φ9 (PCDΦ135) | PT1/8 | M8×1.25P | 3-M8×1.25P (PCDΦ90) | 64 | 47 | -- |
▶ MO-05 | 185 | 135 | -- | 15 | 95 | 128 | 33 | 62 | 14 | 10 | 25 | 13 | Φ9 (PCDΦ165) | PT1/4 | M8×1.25P | 3-M8×1.25P (PCDΦ100) | 80 | 47 | -- |
▶ MO-06 | 224 | 169 | 25 | 16 | 118 | 158 | 40 | 73 | 20 | 12 | 31 | 18 | Φ11 (PCDΦ202) | PT1/4 | M10×1.25P | 3-M8×1.25P (PCDΦ134) | 80 | 47 | -- |
▶ MO-08 | 265 | 210 | 30 | 20 | 138 | 180 | 42 | 95 | 25 | 14 | 35 | 18 | Φ11 (PCDΦ243) | PT1/4 | M10×1.5P | 3-M10×1.5P (PCDΦ136) | 80 | 47 | 3-M10×1.5P (PCDΦ186) |
▶ MO-10 | 315 | 254 | 52 | 23 | 150 | 196 | 46 | 110 | 30 | 16 | 40 | 18 | Φ13 (PCDΦ285) | PT1/4 | M12×1.75P | 3-M12×1.75P (PCDΦ200) | 80 | 47 | 3-M12×1.75P (PCDΦ230) |
▶ MO-12 | 375 | 304 | 80 | 23 | 156 | 219 | 54 | 129 | 30 | 21 | 50 | 18 | Φ17 (PCDΦ340) | PT3/8 | M16×2P | 3-M12×1.75P (PCDΦ200) | 80 | 55 | 3-M12×1.75P (PCDΦ260) |
MOT-04 | 157 | 115 | -- | 15 | 77.5 | 104 | 26 | 49.5 | 14 | 10 | 23 | 13 | Φ9 (PCDΦ135) | PT1/8 | M8×1.25P | 3-M8×1.25P (PCDΦ90) | 64 | 47 | -- |
MOT-05 | 185 | 135 | -- | 15 | 95 | 128 | 33 | 62 | 14 | 10 | 25 | 13 | Φ9 (PCDΦ165) | PT1/4 | M8×1.25P | 3-M8×1.25P (PCDΦ100) | 80 | 47 | -- |
MOT-06 | 224 | 169 | 25 | 16 | 118 | 158 | 40 | 73 | 20 | 12 | 31 | 18 | Φ11 (PCDΦ202) | PT1/4 | M10×1.25P | 3-M8×1.25P (PCDΦ134) | 80 | 47 | -- |
MOT-08 | 265 | 210 | 30 | 20 | 138 | 180 | 42 | 95 | 25 | 14 | 35 | 18 | Φ11 (PCDΦ243) | PT1/4 | M10×1.5P | 3-M10×1.5P (PCDΦ136) | 80 | 47 | 3-M10×1.5P (PCDΦ186) |
MOT-10 | 315 | 254 | 52 | 23 | 150 | 196 | 46 | 110 | 30 | 16 | 40 | 18 | Φ13 (PCDΦ285) | PT1/4 | M12×1.75P | 3-M12×1.75P (PCDΦ200) | 80 | 47 | 3-M12×1.75P (PCDΦ230) |
▼仕様表
型 式 | ピンストン (cm2) |
プランジャ ストローク (mm) | ジョー ストローク 直径 (mm) |
最大静的 把握力 kgf (kN) | 最大 設定油圧力 kgf/cm2 (Mpa) |
エアー 把握力 7kgf/cm2 0.7Mpa | 重量 (kg) | 適合 生爪 |
把握 範囲 |
---|---|---|---|---|---|---|---|---|---|
MO-04 | 57 | 9 | 3.8 | 1900 (18.6) | 12 (1.2) | 930 (9.1) | 6.9 | SJ-04 | Φ9~Φ115 |
▶ MO-05 | 74 | 10 | 5.4 | 2620 (25.6) | 16 (1.6) | 950 (9.3) | 11.2 | SJ-05 | Φ12~Φ135 |
▶ MO-06 | 97 | 12 | 5.5 | 4030 (39.5) | 16 (1.6) | 1450 (14.2) | 21.0 | SJ-06 | Φ15~Φ169 |
▶ MO-08 | 156 | 16 | 7.4 | 6480 (63.5) | 16 (1.6) | 2350 (23.0) | 36.8 | SJ-07 | Φ20~Φ210 |
▶ MO-10 | 235 | 19 | 8.8 | 9760 (95.6) | 16 (1.6) | 3550 (34.8) | 56.4 | SJ-9 | Φ33~Φ254 |
▶ MO-12 | 292 | 23 | 10.6 | 14500 (142.1) | 20 (2.0) | 4400 (43.1) | 88.5 | SJ-12 | Φ40~Φ304 |
MOT-04 | 57 | 9 | 3.8 | 1900 (18.6) | 12 (1.2) | 930 (9.1) | 6.9 | SJ-04 | Φ9~Φ115 |
MOT-05 | 74 | 10 | 5.4 | 2620 (25.6) | 16 (1.6) | 950 (9.3) | 11.2 | SJ-05 | Φ12~Φ135 |
MOT-06 | 97 | 12 | 5.5 | 4030 (39.5) | 16 (1.6) | 1450 (14.2) | 21.0 | SJ-06 | Φ15~Φ169 |
MOT-08 | 156 | 16 | 7.4 | 6480 (63.5) | 16 (1.6) | 2350 (23.0) | 36.8 | SJ-07 | Φ20~Φ210 |
MOT-10 | 235 | 19 | 8.8 | 9760 (95.6) | 16 (1.6) | 3550 (34.8) | 56.4 | SJ-9 | Φ33~Φ254 |